 |  |
 |  |
| Atuadores Pneumáticos de Dupla Ação e Simples Ação |
| |
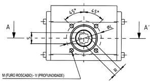
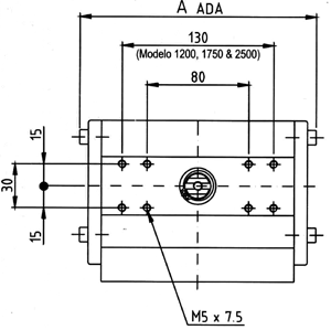
| Modelo | A | B | C | D | R | ØF | G | I | Peso Kg | | ADA | ASR | | ADA / ASR 20 | 130 | 215 | 96 | 76 | 48 | 34 | 14 | 10 | 6 | 1.1/1.5 | | ADA / ASR 40 | 144 | 232 | 115 | 90 | 56 | 45 | 14 | 10 | 6 | 1.7/2.3 | | ADA / ASR 80 | 162 | 270 | 137 | 111 | 66 | 55 | 18 | 11 | 8 | 2.6 / 4 | | ADA / ASR 130 | 182 | 297 | 146 | 121 | 71 | 60 | 28 | 13 | 8 | 3.4 / 5.5 | | ADA / ASR 200 | 211 | 332 | 165 | 135 | 78 | 70 | 28 | 15 | 10 | 5.1 / 8.4 | | ADA / ASR 300 | 245 | 371 | 182 | 151 | 86 | 80 | 36 | 20 | 12 | 7.6 / 12.1 | | ADA / ASR 500 | 275 | 420 | 199 | 172 | 96 | 85 | 40 | 22 | 15 | 10.5 / 16.5 | | ADA / ASR 850 | 336 | 474 | 217 | 192 | 106 | 98 | 45 | 22 | 15 | 16 / 24 | | ADA / ASR 1200 | 420 | 578 | 249 | 212 | 116 | 114 | 60 | 22 | 15 | 26 / 38 | | ADA / ASR 1750 | 462 | 614 | 280 | 242 | 131 | 131 | 60 | 25 | 15 | 36.5 / 52 | | ADA / ASR 2500 | 374.3 | 568.3 | 387 | 356 | 177.5 | 180.5 | 60 | 25 | 15 | 64.7/97.9 |
|
|
| |
| Torque de Atuadores Dupla Ação em Nm |
| |
PRESÃO DO AR (bar) Modelo | 2 | 3 | 4 | 5 | 5.5 | 6 | 7 | 8 | 9 | 10 | | ADA – 20 | 5.7 | 9.0 | 12.5 | 16.0 | 17.5 | 19.0 | 22.2 | 26.0 | 29.0 | 32.0 | | ADA – 40 | 11.6 | 17.6 | 24.4 | 31.0 | 35.0 | 38.4 | 45.0 | 52.0 | 58.3 | 65.0 | | ADA – 80 | 23.0 | 35.3 | 49.0 | 63.0 | 70.0 | 77.0 | 90.0 | 101.0 | 114.0 | 125.0 | | ADA – 130 | 38.0 | 58.0 | 77.0 | 96.0 | 105.0 | 115.0 | 136.0 | 157.0 | 175.0 | 195.0 | | ADA – 200 | 53.0 | 82.0 | 111.0 | 140.0 | 154.0 | 168.0 | 199.0 | 227.0 | 256.0 | 284.0 | | ADA – 300 | 82.0 | 130.0 | 182.0 | 231.0 | 256.0 | 281.0 | 327.0 | 370.0 | 416.0 | 462.0 | | ADA – 500 | 119.0 | 185.0 | 261.0 | 326.0 | 358.0 | 391.0 | 468.0 | 542.0 | 625.0 | 6944.0 | | ADA – 850 | 211.0 | 329.0 | 456.0 | 563.0 | 615.0 | 667.0 | 778.0 | 901.0 | 1013.0 | 1140.0 | | ADA – 1200 | 305.0 | 476.0 | 660.0 | 814.0 | 889.0 | 965.0 | 1126.0 | 1303.0 | 1466.0 | 1649.0 | | ADA – 1750 | 437.0 | 681.0 | 943.0 | 1164.0 | 1271.0 | 1379.0 | 1609.0 | 1862.0 | 2095.0 | 2357.0 | | ADA – 2500 | 972.0 | 1461.0 | 1962.0 | 2479.0 | 2693.0 | 2948.0 | 3440.0 | 3980.0 | | |
|
|
| |
| Torque de Atuadores Simples Ação em Nm |
|
| |
| Tempo de Manobra Obtidos om Atuadores Funcionando em Vazio |
| |
| PRESSÃO DE ALIMENTAÇÃO: 6 bar. Tempo: milisegundos. Molas 2-2-2 |
| ADA | 20 | 40 | 80 | 130 | 200 | 300 | 500 | 850 | 1200 | 1750 | 2500 | | Abertura em ms | 45 | 80 | 110 | 150 | 180 | 300 | 400 | 800 | 1200 | 1800 | 1900 | | Fechamento em ms | 45 | 80 | 110 | 150 | 220 | 400 | 500 | 900 | 1500 | 2000 | 2100 | | ASR | 20 | 40 | 80 | 130 | 200 | 300 | 500 | 850 | 1200 | 1750 | 2500 | | Abertura em ms | 115 | 200 | 275 | 325 | 500 | 700 | 900 | 2200 | 2300 | 2800 | 2950 | | Fechamento em ms | 175 | 290 | 400 | 500 | 600 | 850 | 1100 | 2600 | 2800 | 3200 | 3150 |
|